GX12 Aviation Connector Cable
Description
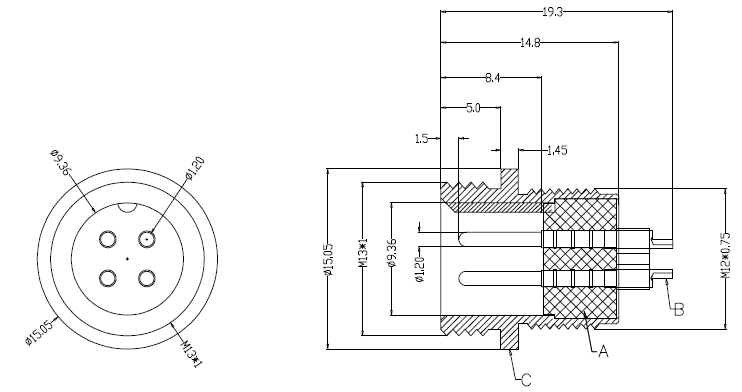
This GX12 aviation cable is connected with 4 pin male connector to 4 pin female connector, overmold body, both with strain relief to improve the bending performance.

Connector Feature
Specifications: 4pin (2-7 Pins are available)
Shell: copper Alloy, Nickel-Plated (Zinc alloy version is available)
Knurled Nut: Z copper Alloy, Nickel-Plated (Zinc alloy version is available)
Contacts: Copper, Silver Plated
Insulator: Bakelite Inner Core
Plug and Socket Connection: Threaded Coupling
Mounting Diameter: 12mm
Installation method: Threaded Coupling
Temperature rating.: -50~+70℃
Relative humidity: It can be reached when the temperature is +40℃ 98%
Atmospheric pressure: up to 4, 4kpa
Vibration: Vibration frequency of 10~100Hz, acceleration of 100m/s2
Rated voltage: 220V, rated current: 5A
Contact resistance: not more than 0.005Ω
Insulation resistance: not less than under normal conditions 500MΩ, not less than 20MΩ temperature rise: At the rated load, the temperature rise of the contact pair should not be greater than the ambient temperature +50 ° C



Cable Feature
Wire gauge: 26AWG
Cable OD: 5.0mm
Insulation: PVC
Spark Test: 1.5 kv for insulation; 1.5 for jacket
Conductor resistance ohm/km: 140 (at 20℃max.)
Dielectric Strength: 500 V AC,1 minute without breakdown
Design and Construction Data Temperature rating: ℃ -40~105
Voltage rating: 30V
Impedance: 70±5
Application:
1, camera system cable
2, industrial control system
3, automotive
FAQ
1, Q: Why choose us? What is your advantage?
A: We are professional cable factory in China, with almost 10 years experiences in the cable industry. we have strong engineer team, can provide technical support for customer.
Quality products: High quality raw material
Competitive price: Factory price
OEM service: Offer and welcome OEM service
Thoughtful service : Fast response within 24hours
Quick delivery time: Strict production plan and delivery date.
2. Q: what services can we provide?
Accepted Delivery Terms: FOB,CFR,CIF,EXW,FAS,CIP,FCA,DDP,DDU,Express Delivery;
Accepted Payment Currency: USD,EUR,CNY;
Accepted Payment Type: T/T,L/C,Credit Card,PayPal,Cash;
Technical clarification, warranties for all our products and many customization choices.
3. Q: What payment terms are available?
We accept the payment by: T/T, Western Union, Money Gram, Paypal and Cash, any other question, please don't hesitate to contact our business representative.
4, Q: Can you tell me your products warranty?
A: We provide 1 year quality warranty for our shipped product, will provide replacement if any quality issue
5, Q: Do you provide samples? Is it free or extra ?
A: Yes, we could offer the sample for free charge but do not pay the cost of freight.
Packing
1, standard export carton.
2, customized packing is also welcome.
Delivery
1, 5 working days for sample.
2, 7 working days for mass production goods.
3, Express, air, marine and customer specified forwards are available.


Hot Tags: gx12 aviation connector cable, China, suppliers, manufacturers, factory, customized, in stock, made in China, 9 pin data cable, data over coax cable, marine cable, type c fast data cable, usb c to usb c data cable, waterproof extension lead 25m
You Might Also Like
Send Inquiry
















